在工业传动领域,联轴器是不可或缺的关键部件,它对于机械设备的稳定运行起着至关重要的作用。泊头市承泰联轴器有限责任公司作为一家在联轴器制造领域深耕多年的企业,凭借其专业的制造技术和丰富的经验,成为了众多客户信赖的选择。
泊头市承泰联轴器有限责任公司一直致力于联轴器的研发、生产和销售。公司拥有一支专业的技术团队,他们具备丰富的行业经验和专业知识,能够根据客户的不同需求,提供定制化的联轴器解决方案。公司注重产品质量,从原材料的采购到生产加工的每一个环节,都严格把控,确保产品的性能和可靠性。

公司主营产品丰富多样,涵盖了多种类型的联轴器。其中包括ZL型弹性柱销联轴器,这种联轴器具有良好的弹性和缓冲性能,能够有效地减少振动和冲击,保护机械设备的正常运行。它广泛应用于各种机械传动系统中,如矿山、冶金、化工等行业。
TL弹性套柱销联轴器也是公司的主打产品之一。该联轴器结构简单,安装方便,具有较高的传动效率。它通过弹性套的弹性变形来补偿两轴之间的相对位移,适用于各种中、小功率的传动场合。
对轮柱销联轴器同样是泊头市承泰联轴器有限责任公司的重要产品。它采用柱销连接两轴,具有传递扭矩大、可靠性高的特点。在一些大型机械设备的传动中,对轮柱销联轴器发挥着重要的作用。
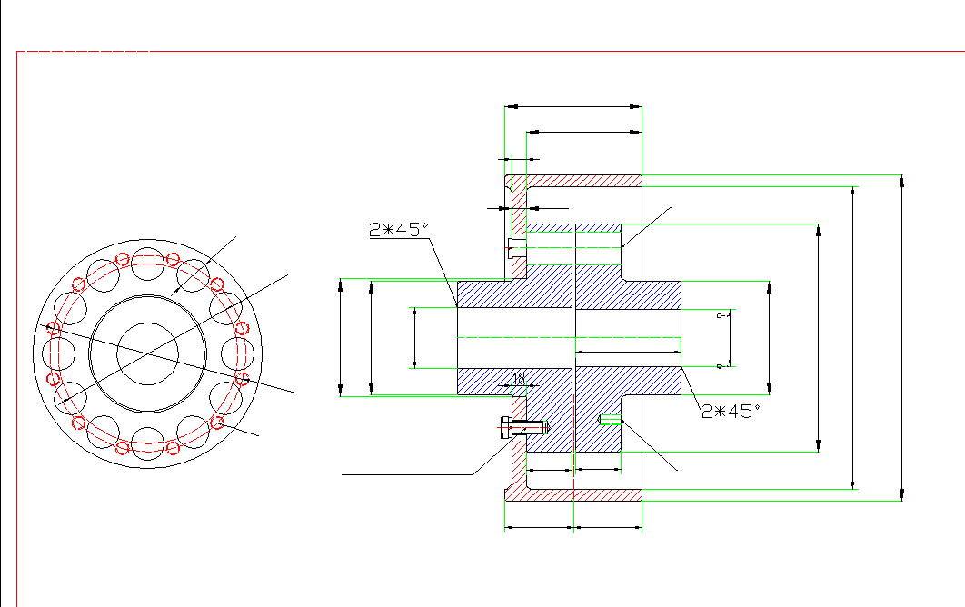
弹性柱销联轴器也是公司的优势产品。它具有良好的弹性和吸振性能,能够适应不同的工作环境和工况要求。无论是在高速运转还是在频繁启动的情况下,弹性柱销联轴器都能保证稳定的传动效果。
HL型柱销联轴器工厂生产的HL型柱销联轴器,具有结构紧凑、承载能力强的特点。它适用于各种重型机械设备的传动,能够满足高负荷、高转速的工作需求。

泊头市承泰联轴器有限责任公司的主营产品在工业领域有着广泛的应用。它们能够有效地传递动力,保证机械设备的正常运行。在实际应用中,这些联轴器展现出了诸多优点。例如,它们的弹性性能能够减少振动和噪音,提高设备的使用寿命;其可靠的连接方式能够确保动力的稳定传递,避免出现故障和事故。
公司在生产过程中,严格遵循相关的标准和规范,确保产品的质量和性能。每一个联轴器在出厂前都要经过严格的检测和检验,只有符合质量要求的产品才能进入市场。这种严谨的生产态度和质量控制体系,使得泊头市承泰联轴器有限责任公司的产品在市场上赢得了良好的口碑。
此外,公司还注重客户服务。无论是在产品的选型、安装还是售后维护方面,公司都能够为客户提供专业的指导和支持。公司的技术人员会根据客户的实际需求,为客户推荐合适的联轴器产品,并提供详细的安装和使用说明。在产品的使用过程中,如果客户遇到任何问题,公司会及时响应,为客户解决问题。

泊头市承泰联轴器有限责任公司的ZL型弹性柱销联轴器、TL弹性套柱销联轴器、对轮柱销联轴器、弹性柱销联轴器、HL型柱销联轴器等产品,以其优良的性能、可靠的质量和完善的服务,成为了工业传动领域的优质选择。无论是在传统的工业领域还是在新兴的科技行业,这些联轴器都能够发挥重要的作用,为机械设备的稳定运行提供有力的保障。
总之,泊头市承泰联轴器有限责任公司凭借其专业的制造技术、丰富的产品种类和优质的客户服务,在联轴器市场上占据了一席之地。如果您正在寻找一家可靠的联轴器厂家,泊头市承泰联轴器有限责任公司将是您不错的选择。





冀公网安备13010402002621