在当今的工业电气领域,可靠且高性能的连接设备至关重要。深圳市正成电气有限公司作为一家在电气连接领域深耕多年的企业,凭借其优质的产品和良好的口碑,赢得了众多客户的信赖。
深圳市正成电气有限公司专注于各类电气连接产品的研发、生产和销售。公司拥有专业的技术团队和先进的生产设备,致力于为客户提供高品质、高性能的电气连接解决方案。多年来,公司不断创新和改进生产工艺,以满足市场对电气连接产品日益增长的需求。
公司的主营产品丰富多样,涵盖了M12金属插座、M12锌合金板后孔型插座、M12锌合金内置灌胶插座、M12连接器插座PG9以及其他M12连接器插座等。这些产品在工业自动化、机器人、传感器、通信设备等众多领域都有广泛的应用。

M12金属插座采用优质金属材料制作,具有良好的机械强度和抗腐蚀性能。其坚固的外壳设计能够有效保护内部电路,确保在恶劣的工业环境下稳定运行。这种插座适用于需要频繁插拔的场合,能够提供可靠的电气连接,减少信号传输中的干扰和损失。
M12锌合金板后孔型插座在设计上独具特色,后孔型的结构使得安装更加方便快捷。锌合金材料不仅具有较高的强度,还具有良好的散热性能,能够保证插座在长时间使用过程中保持稳定的性能。它广泛应用于各种电气设备的内部连接,为设备的正常运行提供了有力保障。
M12锌合金内置灌胶插座采用灌胶工艺,进一步增强了插座的防水、防尘和防潮性能。这种设计使得插座能够在潮湿、多尘的环境中正常工作,大大提高了产品的可靠性和稳定性。在一些对环境要求较高的工业生产线上,M12锌合金内置灌胶插座发挥着重要的作用。

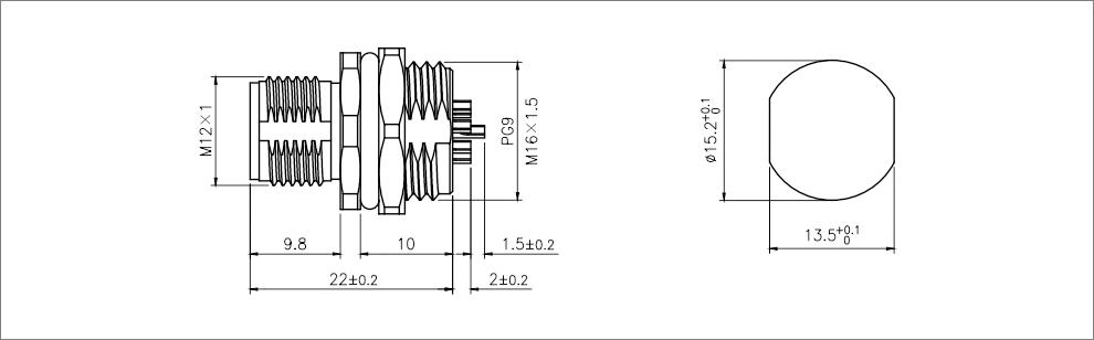
M12连接器插座PG9具有特定的尺寸和规格,能够与PG9电缆接头**配合。它的良好接线性能和稳定的电气性能,使得电缆连接更加可靠。在一些需要**信号传输的设备中,如传感器和自动化控制系统,M12连接器插座PG9是不可或缺的部件。
其他M12连接器插座同样具备高品质和高性能的特点。它们能够满足不同客户的多样化需求,无论是在小型的电气设备还是大型的工业自动化系统中,都能找到合适的应用场景。
深圳市正成电气有限公司的主营产品在性能上有了显著的提升。相比于传统的同类产品,这些M12插座和连接器在信号传输的稳定性、抗干扰能力、机械强度等方面都有了很大的改进。例如,在信号传输方面,能够有效降低信号衰减和失真,确保数据的准确传输;在抗干扰能力方面,采用了先进的屏蔽技术,能够有效抵御外界电磁干扰,保证设备的正常运行。
在生产过程中,深圳市正成电气有限公司严格把控产品质量。从原材料的采购到成品的出厂,每一个环节都经过严格的检测和检验。公司建立了完善的质量管理体系,确保每一件产品都符合相关标准和客户的要求。
此外,公司还注重客户服务。拥有专业的售前、售中、售后服务团队,能够及时为客户提供技术支持和解决方案。无论是产品咨询、安装调试还是售后维修,深圳市正成电气有限公司都能够为客户提供全方位的服务。
展望未来,深圳市正成电气有限公司将继续秉承创新、品质、服务的理念,不断加大研发投入,推出更多更好的M12插座和连接器产品。公司将持续提升自身的技术水平和生产能力,以满足市场不断变化的需求,为工业电气领域的发展做出更大的贡献。
如果你正在寻找可靠的M12金属插座、M12锌合金板后孔型插座、M12锌合金内置灌胶插座、M12连接器插座PG9或其他M12连接器插座,那么深圳市正成电气有限公司将是一个不错的选择。相信通过与深圳市正成电气有限公司的合作,你能够获得高品质的产品和优质的服务,为你的电气连接需求提供有力的支持。





冀公网安备13010402002621